
振動垂直提升機概述:
本機對一切顆粒狀、塊狀、粉狀的固體物料(粘度不大)都可以輸送。因此可廣泛用于軍工、機械、化工、冶金、礦山、橡膠、塑料、輕工、制藥、食品加工、糧食、農牧等行業作為散狀物料的提升設備。
本機設計結構簡單、便于安裝和使用維護、能源消耗小、占地面積少,節省投資。
本機具有從下向上和從上向下輸送物料的功能。按不同的生產工藝要求制成開式或封閉式結構。封閉式輸送能防止有害氣體和粉塵溢散。根據用戶需要,改變本機結構,可以在輸送物料的同時,完成諸如冷卻、干燥、篩分等工藝過程。
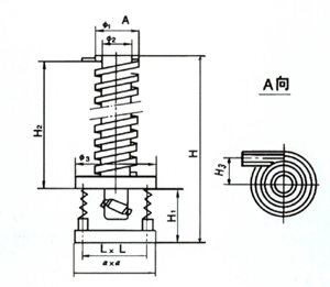
振動垂直提升機結構圖:

技術參數:
|
型號 |
XJT-1250 |
XJT-2000 |
XJT-3500 |
XJT-4500 |
XJT-6000 |
|
輸送量(T/H) |
0.3 |
0.6 |
3 |
4 |
2 |
|
輸送高度(mn) |
1250 |
2000 |
3500 |
4500 |
6000 |
|
螺旋槽直徑(mn) |
220 |
321 |
631 |
631 |
503 |
|
工作頻率(次/分) |
1500 |
1500 |
1000 |
1000 |
1000 |
|
功率(kw) |
2×0.1 |
2×0.2 |
2×0.75 |
2×1.5 |
2×1.5 |
|
供電電壓(伏) |
380 |
380 |
380 |
380 |
380 |
|
額定電流(安) |
2×0.4 |
2×0.8 |
2×2.2 |
2×4.1 |
2×4.1 |
|
合成振幅(mm) |
-4 |
-4 |
-4 |
-4 |
-4 |
注:同時可根據用戶的特殊要求重新設計
